HYDRAULIC MANIFOLD
Manifold
Manifold
Whether you're looking for a standard valve adapter or a custom design hydraulic manifold block Doering has the expertise to help you.
- Materials include aluminum, stainless steel and carbon steel.
- Surface treatments include anodizing, plating, passivation and blasting.
- We can design, build and assemble to meet your needs.
- On time delivery greater than 99%
Standard Manifold
- We have thousands of manifolds in stock available for immediate delivery.
- We are continuously replenishing our stock to keep up our inventory to meet your needs.
Custom Designed Manifold
- Our design team is here to serve your needs for custom manifold designs.
- We can review your design or start with a hydraulic schematic.
- Lead-times are better than industry standard.
- We can manage your inventory with our VMI (Vendor Managed Inventory) program.



11 matches
| Symbol | Description | Specifications | Flow | Cavity | 3D Model |
|---|---|---|---|---|---|
| Doering Housing, SAE 6, 304 Stainless Part #: S1554-6S |
1201554 | 10 GPM | 10-2 | 3D Model | |
| Doering Housing, 3/8 NPT, Aluminum Part #: S1554T-3 |
1201554 | 10 GPM | 10-2 | 3D Model | |
| Doering Housing, 1/8 NPT, Aluminum Part #: SM408-1 |
1201804 | 5 GPM | 8-2 | 3D Model | |
| Doering Housing, 1/8 NPT, 304 SST. Part #: SM408-1S |
1201804 | 5 GPM | 8-2 | 3D Model | |
| Doering Housing, 316 SST. Part #: SM408-3S316 |
1201804 | 5 GPM | 8-2 | 3D Model | |
| Doering Housing, Aluminum Part #: S2454T6-6 |
1202464 | 5 GPM | 8-2 | 3D Model | |
| Doering Manifold, Aluminum Part #: S3293-4-6-6 |
1203293 | 5 GPM | 10-4 | 3D Model | |
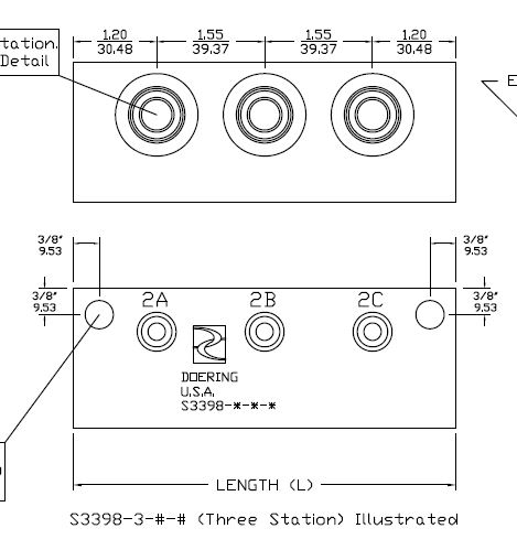
| Doering MANIFOLDold, Aluminum Part #: S3398-2-2-2 |
1203398 | 5 GPM | 8-2 | 3D Model | |
| Doering Manifold, 304 SST. Part #: S3398-3-3-3-S |
1203398 | 5 GPM | 8-2 | 3D Model | |
| S3407-3S Doering Housing, 304 SST. Part #: S3407-3S |
1203407 | 5 GPM | 8-2 | 3D Model | |
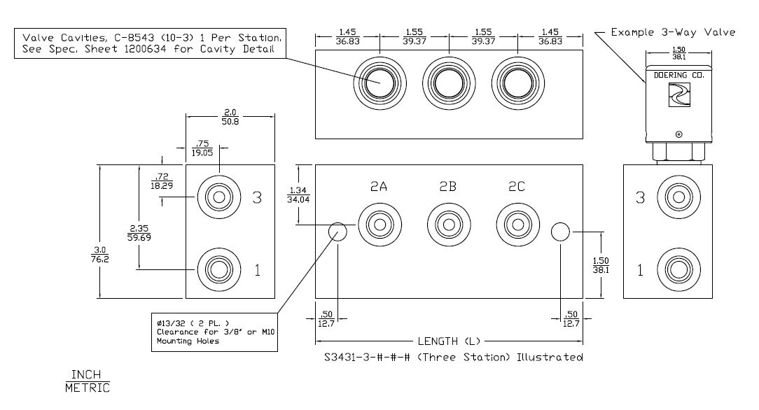
| Doering MANIFOLDold, Aluminum Part #: S3431-3-4-4-4 |
1203431 | 5 GPM | 10-3 | 3D Model | |
Results 1 to 11 of 11
Doering designs and manufactures precision valve, pump and manifold products. Many of our products are designed for high pressure,
zero-leak applications, and are available in a variety of materials, including Stainless Steel. We are constantly adding new products so
please contact us if you can't find what you are looking for.



