Supplement 903.01
(Reference Spec. Sheet 1200903)
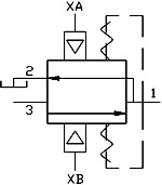
S3M08-** GENERAL INFORMATION:
The S3M08 Housing, when used with various valve options, provides Directional Control and Pressure Control functions as
explained in the sections below. Doering valves are designed to prevent crossover of mediums, therefore, you may have a
Gas or Hydraulic Pilot controlling different Gas or Hydraulic System mediums.
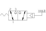
TWO POSITION, THREE WAY FUNCTION:
Using a Normally Open and a Normally Closed poppet valve in the S3M08-** Housing provides a two position, 3-way function
with low to zero leakage. This configuration requires only one pilot signal. The pilot signal can be teed (split) and sent
Examples of valves used for this configuration are illustrated on the following Spec. Sheets:
2PB Normally Closed, bi-directional, Spec. Sheets No. 1200754, 1201280,
1201424, and 1201964.
2PB Normally Open, bi-directional, Spec. Sheets No. 1200755, 1201076,
and 1201317.
Be sure to select valves starting with 82. These valves fit the C-8502 Cavity (8-2) that is used in the S3M08 design.
Photo examples:
242KB
S3M08-*S
with 82527#260 and 82427#141
THREE POSITION, THREE WAY FUNCTION (Closed Center ):
Using two Normally Closed poppet valves in the S3M08-** housing provides a three position, 3-way poppet function with low to zero leakage.
This configuration requires two independent pilot signals. The center position of the symbol represents the condition when neither
valve is receiving a pilot signal.
Examples of valves used for this configuration are illustrated on the following Spec. Sheets:
2PB Normally Closed, bi-directional, Spec. Sheets No. 1200754, 1201280,
1201424, and 1201964.
Be sure to select valves starting with 82. These valves fit the C-8502 Cavity (8-2) that is used in the S3M08 design.
THREE POSITION, THREE WAY FUNCTION (Open Center):
Using two Normally Open poppet valves in the S3M08-** housing provides a three position, 3-way poppet function with low to zero leakage.
This configuration requires two independent pilot signals. The center position of the symbol represents the condition when neither
valve is receiving a pilot signal.
2PB Normally Open, bi-directional, Spec. Sheets No. 1200755, 1201076,
and 1201317.
Be sure to select valves starting with 82. These valves fit the C-8502 Cavity (8-2) that is used in the S3M08 design.
THREE POSITION, THREE WAY FUNCTION WITH SOLENOID OPTION:
188 KB
S3M08-*S Assembled
with Air Pilot Operated Valves and MAC Pilot Solenoids.
Since there are two Pilot Solenoids, the function is THREE POSITION, THREE WAY.
The pilot solenoid valves provide a low wattage electronic interface. Air is supplied to the pilot solenoid valves continuously
and passes through to the Doering valves when an electronic signal is sent to the pilot solenoid valve. Pilot solenoid valves
need to be three way to enable venting of the Doering pilot area. Pilot solenoid valves may be normally open or normally closed
depending on the functionality that you are seeking.
PRESSURE REDUCING and RELIEVING FUNCTION:
Using a Normally Open and a Normally Closed poppet valve in the S3M08-** Housing provides a pressure reducing and relieving
function. The normally closed valve provides the pressure reducing function and the normally open valve provides the pressure
relieving function. This configuration requires only one pilot signal. Both valves share the pilot signal. The pilot line
can be teed (split) and sent simultaneously to both valves. As pilot signal pressure increases the downstream system pressure
increases. As the pilot signal pressure decreases, the downstream pressure decreases. It is advisable to have the same pilot
to system ration on both valves.
Examples of valves used for this function are illustrated on the following Spec. Sheets:
2PB Normally Closed, bi-directional, Spec. Sheets No. 1200754, 1201280,
and 1201964.
2PB Normally Open, bi-directional, Spec. Sheets No. 1200755, 1201076,
and 1201317.
Be sure to select valves starting with 82. These valves fit the C-8502 Cavity (8-2) that is used in the S3M08 design.



